Descripción
La central BFT ALPHA es la solución ideal para la automatización de portones, ofreciendo un control efectivo sobre motores de puertas correderas, batientes, persianas y puertas seccionales. Con su diseño italiano y tecnología de vanguardia, esta central de mando garantiza un rendimiento fiable y duradero, siendo perfecta tanto para hogares como para condominios, empresas, bodegas y estacionamientos.
La comodidad es uno de los mayores beneficios que proporciona la BFT ALPHA. Su capacidad para manejar hasta 63 mandos a distancia significa que puedes automatizar el acceso a tu propiedad sin complicaciones. Ya no tendrás que salir de tu auto para abrir el portón, lo que representa una gran ventaja en términos de rapidez y confort, especialmente en días de mal tiempo o cuando llevas las manos ocupadas.
Además de la comodidad, la seguridad es primordial. Esta central cuenta con un receptor de radiofrecuencia Rolling-Code que incorpora un sistema de codificación avanzado, ofreciendo hasta 4 mil millones de combinaciones posibles. Esto asegura que el acceso a tu propiedad esté protegido contra intentos de robo o acceso no autorizado, dándole a los propietarios una tranquilidad invaluable.
Por otro lado, la durabilidad y resistencia de la BFT ALPHA la hacen adecuada para diversas condiciones climáticas, operando eficientemente en un rango de temperatura de -10 a +55 ºC. Esto la convierte en una opción confiable para cualquier instalación, ya sea residencial o comercial, con una capacidad de hasta 30 aperturas por hora en condiciones adecuadas.
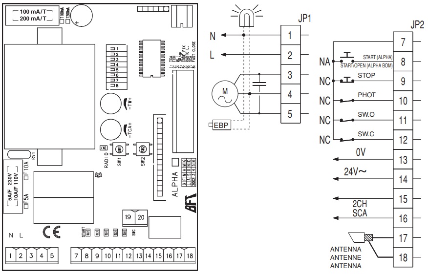
Las especificaciones técnicas de la BFT ALPHA son impresionantes. Esta central tiene una alimentación de 230V AC y ofrece una salida de 24V, lo que la hace compatible con una amplia gama de motores y accesorios de la marca BFT. Además, los leds de autodiagnóstico permiten un mantenimiento sencillo, facilitando la identificación de cualquier problema que pueda surgir.
Usos recomendados:
– Para casas y condominios que buscan mayor comodidad y modernidad.
– En empresas y bodegas que necesitan un acceso controlado y seguro.
– Ideales para estacionamientos que requieren un manejo eficiente y automatizado del espacio.
No te quedes sin la mejor opción para la automatización de tu portón. La central BFT ALPHA es un producto original de alta calidad que no solo mejorará tu calidad de vida, sino que también aportará valor y seguridad a tu propiedad. ¡Haz tu compra hoy mismo y disfruta de la comodidad y la tranquilidad que solo BFT puede ofrecerte!





