Descripción
El verdadero rendimiento de un motor para portón eléctrico reside en la inteligencia de su central de comando. La placa de control FAAC 780D está diseñada para ser el cerebro de tu sistema de automatización, ofreciendo un nivel de programación y versatilidad que transforma un buen motor en un sistema de acceso excepcional. Es la solución ideal para reemplazar, actualizar o instalar en motores de corredera de 220V.
CONTROL TOTAL EN LA PUNTA DE TUS DEDOS
Olvídate de las programaciones complicadas con jumpers y switches. La central FAAC 780D incorpora una pantalla LCD y una navegación por menús simple e intuitiva, permitiendo al instalador y al usuario ajustar cada parámetro con una precisión milimétrica. Puedes regular la fuerza, la velocidad de ralentización, el tiempo de pausa y las lógicas de funcionamiento para adaptar el comportamiento del portón exactamente a tus necesidades, ya sea en una casa, un condominio o una empresa.
SEGURIDAD Y COMPATIBILIDAD PROFESIONAL
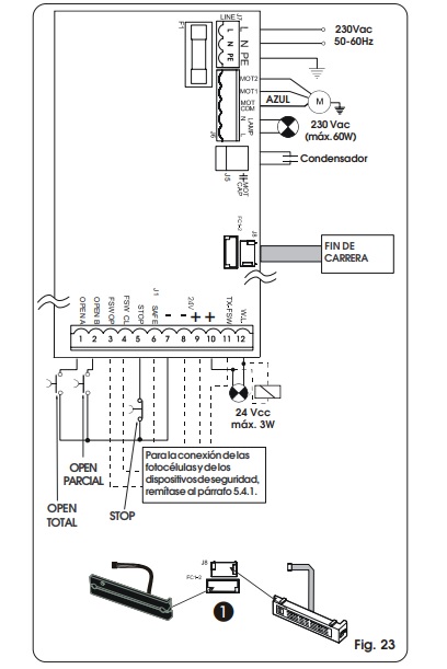
Este cuadro de maniobras está diseñado para integrar todos los elementos de seguridad que un acceso moderno requiere. Con múltiples entradas dedicadas, puedes conectar fácilmente fotoceldas, bandas de seguridad y otros dispositivos para crear un perímetro totalmente protegido. Es compatible con los motores de corredera más populares de la marca, como los modelos 746 y 844, garantizando una integración perfecta.
CARACTERÍSTICAS TÉCNICAS AVANZADAS
– Aplicación: Para 1 motor de corredera o batiente de 220V AC.
– Alimentación: 230V AC (+6% -10%) 50 Hz.
– Programación: A través de pantalla LCD y botones, simple e intuitiva.
– Lógicas de Funcionamiento: Automática, Semiautomática, Seguridad, Hombre Presente y más.
– Ajustes Principales: Regulación de fuerza del motor, tiempo de pausa, velocidad de ralentización.
– Entradas de Seguridad: Entradas dedicadas para fotoceldas, bandas de seguridad (bordes), y parada de emergencia.
– Compatibilidad: Ideal para motores FAAC 746, 844 y otros modelos de 220V AC.
No dejes el rendimiento de tu portón automático en manos de una central básica. ¡Actualiza tu sistema con la inteligencia, la seguridad y el control profesional de la tarjeta electrónica FAAC 780D!









